Современные системы водоснабжения – это сложный комплекс инженерных сооружений, которые обеспечивают надежную подачу воды в необходимом количестве и давлении до каждого потребителя. Одной из категорий системы водоподачи является противопожарное водоснабжение. Оно определяется совокупностью мероприятий по обеспечению необходимым объемом воды потребителей, которое направляется на тушение пожаров. Поэтому еще на стадии проектирования объекта, неважно, это будет жилое здание или промышленная территория, сразу же учитывается не только хозяйственно-питьевой водопровод или технический, но и противопожарный.


Разновидности пожарного водоснабжения
В основном пожарное водоснабжение разделяется на два вида:
- высокого давления;
- низкого.
Первый – это система, которая может подавать воду с необходимым давлением на тушение самого большого здания проектируемого объекта. При этом подача воды большого объема должна начинать подаваться в течение первых пяти минут. Для этого используются специально установленные стационарные насосы. Для них обычно выделяется отдельное помещение или целое здание. Такое водоснабжение может потушить пожар любой сложности без привлечения пожарных машин.
Вторая группа – это водопровод, из которого вода через гидранты и с помощью насосов подается в зону тушения пожара. Соединяются насосы с гидрантами специальными пожарными шлангами.


Необходимо отметить, что все сооружения и установленные в них оборудование проектируется таким образом, чтобы для пожарных мероприятий выделялось столько воды, которой бы хватила для тушения пожара. Но при этом и хозяйственно-питьевой водопровод, и технический (технологический) работали в полную силу. То есть, один вид водопровода не должен мешать остальным. При этом обязательно производится задел воды, как неприкосновенный запас. Ее обычно аккумулирует в подземных резервуарах, в открытых бассейнах или в водонапорных башнях.
В схему противопожарного водоснабжения входит также насосно-рукавная система. По сути, это установленные насосы (первого и второго подъема), трубопроводы, по которым к каждому объекту подается вода, а также пожарные рукава, которые скручиваются и убираются в специальные ящики. Последние окрашиваются в красный цвет, обозначая отношение к противопожарной системе водоснабжения.


Другие варианты классификации
Существует и другое разделение систем противопожарного водоснабжения.
- По виду обслуживание. Делится оно на городские сети, районные, поселковые, заводские, железнодорожные, сельскохозяйственные и так далее.
- По способу подачи воды. Здесь определяется источник противопожарного водоснабжения. Это могут быть открытые источники (озера, реки, пруды и так далее) или закрытые (скважины, колодцы, родники). Нередко для полного обеспечения водой в необходимом объеме две системы объединяются.
Внимание! По статистике водозабор для системы пожаротушения из подземных источников составляет всего лишь 16%, из открытых 84%.


Водозабор из скважины - По количеству потребителей. Конечно, все зависит от типа обслуживания. К примеру, если пожарный водопровод обслуживает один город или одну фабрику, то его называют местным. Если система подает воду на несколько городов или поселков, или обслуживает несколько производственных объектов, то его называют групповым. Если потребители располагаются далеко друг от друга и обслуживаются одним пожарным водопроводом, то последний называется зонным. Если противопожарный комплекс охватывает огромную территорию с большим количеством объектов, то он называется районным.
Сам пожарный водопровод делится на внешний и внутренний. Первый – это насосные станции, трубопровод и гидранты, расположенные на территории. Второй – это трубопроводы, разбросанные внутри зданий и соединенные с внешним водопроводным комплексом.
В небольших поселках, на мелких фабриках и заводах система пожарного водоснабжения не устраивается, как отдельная единица инженерных сооружений. Она объединяется с другими водопроводными сетями, то есть вода, к примеру, для тушения пожара берется прямо из хозяйственно-питьевой системы. Хотя во многих местах система пожарной безопасности организуется из специальных машин, которые пополняют свой запас воды из открытых или закрытых источников напрямую. То есть, как таковой насосно-рукавной системы пожарного водоснабжения нет.


Источники водоснабжения
Итак, два источника забора воды определяют и две группы противопожарного водопровода. Выбор одно из них определяется местными условиями, которые должны обеспечить необходимый объем для тушения пожара. То есть, если рядом с объектом располагается река, то лучше всего забор воды делать из нее. Но использование источника должно определяться следующими условиями.
- необходимый объем воды;
- самый простой способ ее забора, то есть, экономически оправданный;
- оптимально, если вода в источнике будет чистой без большой степени загрязнения;
- чем ближе он располагается к объекту, тем лучше.
Как уже было сказано выше, источниками наружного противопожарного водоснабжения могут быть открытые водоемы и глубинные сооружения. С открытыми все понятно. А вот что касается глубинных, то тут есть несколько позиций, отличающихся друг от друга различными водоносными пластами в плане структуры и расположения.
- Водонапорные слои, которые сверху защищены водонепроницаемыми пластами.
- Безнапорные слои со свободной поверхностью, которые не защищены водонепроницаемыми слоями.
- Родниковые источники. По сути, это подземные воды, которые лежат близко к поверхности земли, поэтому пробиваются через небольшой слой грунта на поверхность.
- Так называемые шахтные воды. Это техническая вода, которая сливается в водоотливные сооружения при добыче полезных ископаемых.


Схемы пожарного водопровода
Схема внешней части является самой простой, потому что она определяется трубопроводом, проведенным от источника забора воды, до насосной станции и далее к зданиям. А вот внутреннее противопожарное водоснабжение может быть разным. И в их основе лежат условия создания напора внутри системы, необходимого для тушения пожара.
Самая простая схема – это система, в которой кроме труб нет никаких других приборов и устройств. То есть, напора воды из внешнего пожарного водопровода хватает, чтобы решить проблемы пожарной безопасности.
Вторая схема – это трубопровод, в который устанавливается дополнительный насос. Его называют обычно насосом второго подъема. Его устанавливают только в том случае, если напор в основной линии подачи воды небольшой. То есть, его не хватает для тушения пожара. Но данный напор обеспечивает полностью водой хозяйственно-питьевую систему. Поэтому насос устанавливается после развилки трубопровода, которая делит весь водопровод на две части: хозяйственно-питьевую и противопожарную.
Внимание! Пуск насоса второго подъема и открытие задвижки после него производится автоматически сразу после нажатия кнопки в любом пожарном ящике.
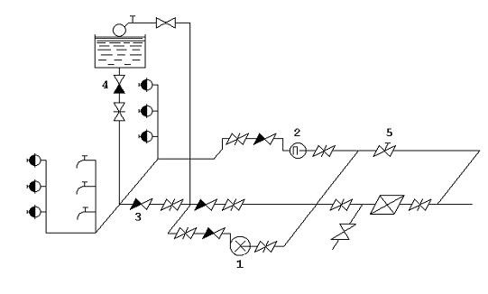
Третья схема – это противопожарное водоснабжение, в которое устанавливается накопительный водонапорный бак и насос. Она используется в том случае, если давление в основной сети небольшое. Схема работает так: насос закачивает воду в бак, а уже оттуда она поступает на гидранты по всей разбросанной трубной разводке. По сути, сам бак выполняет функции напорно-регулирующего резервуара. При этом он обеспечивается автоматикой поплавкового типа. Когда вода в нем опускается до определенного уровня, тут же включается насос, который закачивает воду в него.


Данная схема хорошо работает для объединенной системы, когда в один контур соединены пожарный водопровод и хозяйственно-питьевой. То есть, пожарный насос обеспечивает необходимым давлением и системы для хозяйственных и питьевых нужд. При этом избыток воды поступает сразу в бак. Кстати, у таких емкостей нет сливных патрубков, то есть, вода в канализацию не сбрасывается. Она просто поступает в сеть. Если объем потребления резко увеличивается, то насос начинает работать беспрерывно.
В данную схему можно дополнительно установить еще один насос. То есть, один будет качать воду для хозяйственных нужд, второй будет включаться только при пожаре, когда потребление воды резко увеличивается, и первый насосный агрегат с подачей не справляется. Кстати, на фото выше показана именно эта схема, где под номером один располагается насос для хозяйственных нужд и питья, а под номером два – пожарный агрегат.
Правда, необходимо отметить, что такая система противопожарного водоснабжения используется только в домах повышенной этажности. Все дело в том, что самое сложное в этой схеме – это установить на необходимой высоте водонапорный бак, который должен обеспечить напором всю систему.
В четвертую схему монтируется вместо водонапорного резервуара бак пневматический, а вместо насоса компрессор. Иногда производят совмещение двух баков. То есть, устанавливается и водяной, и пневматический. Принцип работы такой системы заключается в том, что закаченный в емкость воздух создает необходимое давление в системе, которого хватает, чтобы создать напор воды для тушения пожара. Но понятно, что водяной бак будет опустошаться, поэтому в схему устанавливается насос, который будет его заполнять. Он включается автоматически от поплавкового выключателя, установленного в сам бак. Данную схему используют лишь в том случае, если давление в основном водопроводе не превышает 5 м и есть возможность установить водонапорный бак на необходимую высоту.


Все выше показанные на фото схемы являются тупиковыми. То есть, их конечная цель – потребитель в виде гидранта. Но есть и кольцевые сети, основным преимуществом которых является возможность отключить один участок при работе всех остальных. К примеру, если этот участок аварийный. Обычно такие схемы используются там, где всегда присутствует необходимость в потреблении воды, и при этом сам противопожарный водопровод исполняет функции технологического или хозяйственного. К примеру, в банях.
Внимание! Кольцевая внутренняя система противопожарного обеспечения должна подключаться к внешнему водопроводу как минимум в двух местах.


Особенности пожарного водоснабжения
- Требования, определяющие нормы сооружения и эксплуатации противопожарных систем, основываются на своде правил «СП8.13130-2009».
- Основываясь на СП (наружное и внутреннее пожарное водоснабжение), необходимо строго соблюдать проектные изыскания, которые определяют схему системы, материалы и оборудование, которые входят в ее конструкцию. Это в основном касается материала и диаметра труб, а также мощности и напора насосного оборудования.
- Если есть возможность, то лучше проводить объединение различных водопроводов в одну сеть. Но тут необходимо учитывать интенсивность использования каждой сети. Поэтому лучше всего объединять пожарную и хозяйственную сеть. Если объединяются техническая (технологическая) и противопожарная, то необходимо учитывать режим потребления воды для технических нужд.
Итак, это все о противопожарном водоснабжении. Как видите, система пожарного тушения достаточно сложная. И хотя при малом наличии в ней оборудования, она, как показывает практика, достаточно разветвленная. И чем больше на объекте мест, которые попадают под категорию пожарной опасности, тем больше точек, куда должна быть проведена труба от этой системы.