Предлагаем вам рассмотреть устройство и принцип работы насосной станции, какая лучше для дачи и как выбрать аппарат в частный дом.
Что это такое?


Это оборудование, позволяющее автоматически доставлять жидкость по трубопроводу из имеющегося источника к потребителю в дом. Водонасосная установка поддерживает одинаковое давление на протяжении дня.
Из чего она состоит
- Помпа.
- Гидроаккумулятор.
- Автоматика.
Станции водоснабжения отличаются по техническим характеристикам. Перед тем как сделать выбор, обязательно изучите паспорт изделия.
Принцип работы
Агрегат оснащается гидроаккумулятором (в дальнейшем ГА) цилиндрической формы. Его внутренняя часть делится на две посредством эластичной мембраны. Одна из половин заполнена газом под определенным давлением. Когда вода поступает, то она попадает в соседнюю камеру. По мере заполнения емкости мембрана медленно растягивается. В соседней камере сжимается газ, благодаря чему образуется давление.
Вся работа сопровождается соответствующими показаниями на приборе. Как только достигается четыре атмосферы, датчик подает команду на выключение помпы и жидкость перестает качаться.
Подключение глубинного насоса к гидроаккумулятору позволяет организовать равное давление, пока кран открыт, а жидкости поступать из бака. Как только оно понижается, срабатывает датчик на включение помпы и жидкость начинает поступать в резервуар. Когда кран закрывается, насос по-прежнему будет работать, пока не образуется положенное давление. Как видно, устройство агрегата сравнительное простое.
Виды устройства
- Поверхностные.
- Погружные.


В большинстве случаев используются поверхностные аппараты. Их монтаж осуществляется на раме. На ней имеется гидроаккумулятор и автоматика. У помпы есть два выхода для закачки/подачи в частный дом.
Агрегаты поверхностного типа имеют следующие достоинства и недостатки:
Плюсы:
- Идеально для источников, имеющих маленький диаметр.
- Оптимальное решение для колодцев, глубина которых составляет не более десяти метров.
Минусы:
- При падении уровня воды возникнут проблемы.


Погружные агрегаты для колодца идеальны при большой глубине. Автоматика и другое оборудование, кроме насоса, остается на поверхности. Данная система позволяет поднимать воду с глубины около 50 м.
Плюсы:
- Если отсутствует возможность копки колодца, то установка погружного типа позволит поднимать жидкость из глубоких скважин.
Минус:
- Воздух в трубопроводе затрудняет запуск насоса. Поэтому обязательно устанавливается обратный клапан на подающую трубу.
Типы гидроаккумуляторов
- Закрытый.
- Открытый.


Под закрытым подразумевается овальная емкость, в которой имеется резиновая диафрагма, создающая давление в системе. Такое устройство обойдется дороже. Обо всех особенностях этого аппарата говорилось выше.


Что касается открытого гидроаккумулятора, то он очень требователен при эксплуатации, но зато в установке проще. Сделать его вполне реально своими руками. Суть назначения та же, что и у водонапорной башни.
Открытый ГА монтируется преимущественно на высшей точке.
Важно знать! Чтобы в системе с открытым ГА создать давление до 0,7 бар, его следует установить на высоте 7 метров.
Если не соблюсти это требование, то система дополнительно оснащается насосами, что приводит к ее удорожанию и усложнению.
Как выбрать для частного дома или дачи?
Технические характеристики, которые подскажут, какую насосную станцию выбрать.
| Параметры | Описание |
| Производительность | Определяется мощностью устройства. Важно знать реальные возможности источника (дебит). Производительность указывается в техпаспорте. Оптимальным решением будет установка с производительностью до 6 тыс. л/час |
| Мощность | Учитывается несколько факторов: протяженность трассы от зеркала до помпы, количество запорной арматуры (точки), высота подъема воды и ресурс источника. Бытовые водяные аппараты обладают мощностью от 0,6 до 1,5 Вт |
| Гидроаккумулятор | Чем больше его объем, тем выше цена. Необходимо понимать, что в случае его большого объема насос будет включаться не так часто, а при отключении электроэнергии будет достаточный запас воды. Меньшее количество циклов его включения значительно сказывается на продолжительности эксплуатации. Помимо его установки, нужно знать, как подключить погружной насос к ГА |
| Глубина забора и высота подачи воды | Учитывается, как далеко будет установлен аппарат от скважины, то есть горизонтальный участок. Еще учитывается сопротивление в трубах, фильтре грубой очистке и клапане (обратном). Поэтому устройство для колодца должно иметь запас мощности в 15 % |
| Материал корпуса | Водяные агрегаты для скважин обладают различными корпусами: чугунными, из нержавеющей стали, металлическими и из плотного ПВХ. Полипропиленовый корпус не ржавеет и не издает много шума. В случае механического воздействия пластик может дать трещину. Некоторые виды станций имеют стальной корпус. От него много шума, и он может резонировать. Чугунные практически бесшумные. Считается, что лучшие аппараты – изготовленные из нержавейки. Их высокая стоимость полностью окупается качеством |
| Фильтр | Является важным элементом, способным защитить помпу от проникновения различных частиц |
| Защита от сухого хода и перегрева | Автоматика позволит значительно продлить их срок эксплуатации. Если вода в подающем трубопроводе отсутствует (по разным причинам), специальное реле подает сигнал на выключение помпы. Дополнительно устройство оснащается реле от перегрева. Особенно актуально в случае большого расхода воды на высоких оборотах |
| Автоматика | Погружное устройство с автоматикой исключает вмешательство и контроль над системой. Важно правильно настроить. Если ее использование будет в доме или на даче посезонно, то лучше взять ручное управление. Поэтому прежде чем подключать автоматику, решите, что для вас лучше |
Монтаж водоснабжения


Предлагаем изучить особенности установки. Существует несколько важных критериев:
- Электроэнергия. Выбранное место должно быть доступным для подключения устройства к электричеству. Часто, оборудуется кессон возле источника, к нему и подводится электроэнергия.
- Расположение. Гидравлическая система устанавливается на таком расстоянии, которое позволит работать насосу без нагрузки. То есть обязательно учитываются тех. характеристики агрегата. Немаловажно отталкиваться от глубины зеркала воды и протяженности от помпы к крану.
- Глубина погружения. Хорошо, если есть возможность установить в теплом месте. Иначе обустраивается кессон. Он изготавливается на глубине, которая в вашей местности недоступна морозам. Обязательно обеспечивается естественная смена воздуха для предотвращения образования конденсата.
- Звукоизоляция. Если система монтируется внутри дома, то помещение следует качественно звукоизолировать. Иначе работа аппарата будет мешать спокойной и тихой жизни.
Учтите! Установку недопустимо прислонять к стене, т. к. вибрация будет передаваться в помещение выше. Поэтому монтаж только на пол.
Ошибки при установке
Неправильный монтаж приводит к сбоям в работе. Распространенные ошибки:
- Неправильный выбор оборудования. Устанавливается сверхмощная помпа, имеющая большую производительность, чем дебит скважины.
- Отсутствие фильтра. Из-за этого в систему попадает песок, способный разрушить важные конструктивные элементы.
- Значительный перерасход воды. Необходимо понимать, какую систему выбирать. Если предполагается расход 3 куба в час, то не стоит брать больше, в противном случае агрегат будет изнашиваться. В этом варианте предусматривается другая схема подключения погружного насоса с гидроаккумулятором, который сокращает частоту включения помпы.
- Предусмотреть скачки напряжения. Если часто отключается электричество, то это может вывести из строя установку.
- Система скважины выбирается впритык по мощности.
- Выбор меньшего диаметра труб, чем резьба на аппарате.
- Покупка кабеля маленького сечения. Неправильный выбор приводит к перегреву двигателя.
- Отсутствие УЗО. Станция для подачи воды из колодца должна оснащаться индивидуальной системой автоматического отключения электропитания.
- Отсутствие измерительных приборов: датчиков и прочее.
Что необходимо для установки


Перед тем как установить бытовую насосную станцию на скважину, необходимо подготовить инструмент.
- Набор рожковых ключей.
- Разводной ключ.
- Набор отверток.
- Пакля или фум-лента.
- Перфоратор.
- Молоток.
Может потребоваться дополнительный сантехнический инструмент, в зависимости от того, какая схема подключения агрегата к скважине у вас.
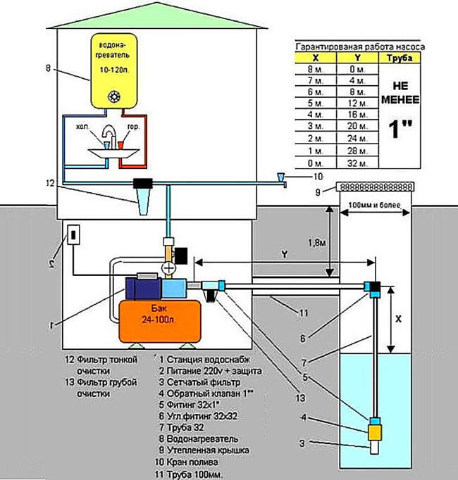
Как собрать и подключить бытовую систему к колодцу?


Необходимо подготовить все комплектующие: помпу, гидроаккумулятор, автоматику, трубу, кабель, фильтр, обратный клапан и переходники.
Зная схему подключения, вы поймете, в какой последовательности должна быть собрана установка:
- К насосному аппарату для колодца крепится ГА.
- Через специальный переходник происходит подключение помпы.
- На этом же переходнике монтируется система автоматики: реле сухого хода, датчики и прочее. Важно знать, как правильно настроить автоматику для корректной ее работы.
- На конец трубопровода крепится клапан(обратный), сетчатый фильтр грубой очистки, и все это опускается в источник.
- Дополнительно можно смонтировать клапан (обратный) перед гидроаккумулятором – на случай, если первый выйдет из строя.
- Гидравлическая станция с электроприводом обязательно требует установки индивидуального УЗО.
- Перед тем, как подключить агрегат к колодцу и запустить ее, важно сделать разводку по дому и установить запорную арматуру.
Само устройство водоснабжения из колодца устанавливается в чистом и сухом подвале, на резиновую прокладку, чтобы нивелировать возможную вибрацию. Этот вариант подходит для дачи.
Совет! Помимо фильтра для грубой очистки, колодезная станция может оборудоваться системой для удержания мелких фракций. На решение влияет качество воды. Фильтр для тонкой очистки монтируется на поверхности.
Как правильно собрать и подключить систему к скважине?


Ниже приводится схема подключения гидроаккумулятора к бытовому погружному насосу, рассмотрим основные особенности пошагово:
- Перед тем как подключить глубинный насос к установленному гидроаккумулятору, саму помпу следует поместить в скважину.
- Помпа опускается на стальном тросике. К ней должен быть подключен питающий кабель и труба для выкачки жидкости.
- Обязательно погружается датчик уровня воды. Он будет передавать информацию на блок управления.
- Установленный блок управления будет иметь реле, защиту сухого хода. В случае падения уровня воды подается сигнал на отключение/включение аппарата.
- После монтируется ГА с воздушным клапаном. Его установка выполняется в сухом и теплом месте, недоступном для мороза.
- Чтобы давление в гидроаккумуляторе не падало, обязательно устанавливается обратный клапан.
- После этого трубопровод ведется к точкам водозабора и в дом.
Мы рассмотрели основные особенности того, как собрать систему своими руками и подключить ее к скважине. Теперь ознакомимся с тем, как настроить и сделать ее запуск.
Первый запуск
Выполнив монтаж водопроводной станции, следует ответственно подойти к первому ее запуску. Для этого следуйте инструкции:
- В корпусе помпы выкрутите пробку и залейте жидкость.
- Наполняется всасывающая труба. Убедитесь, что жидкость заполнила всё пространство.
- Проверьте давление в гидроаккумуляторе, оно не должно понижаться. Если падает, значит обратный клапан не держит. Его увеличить можно автомобильным насосом. Если давление слишком большое, то через ниппель оно спускается.
- После заполнения системы плотно закрываете пробку.
- Помпу подключаете к электросети.
- Удаляете воздух из оборудования, слегка приоткрыв вентиль.
- Для этого агрегат должен проработать около трех минут. Через выходное отверстие начнет течь вода.
- В случае когда жидкость не пошла, в помпу следует долить воды и повторить процедуру.
Для правильного запуска важно знать, как работает аппарат.
Советы по эксплуатации
Необходимо придерживаться следующих правил и рекомендаций по эксплуатации установки:
- Один раз в 30 дней проверять давление в системе.
- Проверять давление перед запуском после длительной паузы.
- Периодически чистить фильтр грубой очистки, опущенный непосредственно в источник.
- Система должна быть установлена в сухом и теплом месте, защищенном от мороза и влаги.
- Проложенный трубопровод должен быть утеплен и защищен от промерзания.
- Если установка не будет эксплуатироваться в зимнее время, то с системы следует полностью слить воду.
Популярные модели
Теперь предлагаем вам ознакомиться со списком того, какая система лучше. Сравним несколько агрегатов по параметрам и разных ценовых категорий. Это поможет подобрать устройство для дачи.
| Производитель | Описание |
| Quattro Elementi Automatico 801 | От 6 тыс. рублей. Китайский производитель. При низкой стоимости наблюдается солидный срок работы. В комплектации идут обратный клапан, фильтр и т. п. Еще установка укомплектовывается автоматикой, получив идеальный агрегат. Производительность – 3,2 м3/час |
| GARDENA 3000/4 | От 10 тыс. рублей. Отличается бесшумным процессом работы, малым весом и качественным корпусом. Среди минусов – пластиковый тройник, установленный внутри помпы. Частенько он ломается. Выходные/входные патрубки имеют слабую резьбу. Производительность – 2,8 м3/час |
| ДЖИЛЕКС Водомет ПРОФ 55/90 Дом | Стоимость от 25 тыс. Прост при монтаже. Явный минус – маленький ресурс при регулярной эксплуатации, около четырех лет. Производительность – 3,3 м3/час |
| Wilo HMP 603 1 | Стоимость от 30 тыс. Высокая цена полностью оправдывается отличным качеством установки. Дополнительно следует приобрести реле сухого хода. В остальном отличный вариант. Производительность – 8,1 м3/час |
| ESPA Aquabox 350 TP 15 4 M | Стоимость от 80 тыс. рублей. Обеспечивает равномерную и стабильную подачу воды. Автоматика повышает комфорт эксплуатации. Цена полностью окупается ее техническими характеристиками. Производительность – 3,6 м3/час |
Заключение
Мы рассмотрели все особенности того, как подключить самому агрегат к скважине, а также как установить своими руками насосную станцию в колодец. Следуя всем рекомендациям, вы сможете сделать правильный выбор насосного оборудования для частного дома. Делитесь своим опытом в комментариях к этой статье, чтобы помочь избежать ошибок.
Полезное видео
Вы поймете из ролика как выбрать аппарат:
В этом видео информация по установке: