Подобрать хорошую и при этом недорогую буровую установку для бурения скважин на воду не так просто, как может показаться изначально. В такой ситуации эта статья поможет вам самостоятельно подобрать лучший механизм под свои запросы и кошелек.
Они бывают следующих видов:
- самоходные (в качестве шасси используются различные трактора и спецтехника, например МТЗ, и автомобили марок: ЗИЛ, ГАЗ, УАЗ, МАЗ, а также на базе МКСМ);
- малогабаритные МГБУ (монтируются на треноге или каркасе, перевозятся в автоприцепе или кузове грузового авто);
- с промывкой или без;
- ручные (подключаются к обычному мотоблоку);
- ударные;
- самодельные.
Самоходные


Главным достоинством принято считать то, что для их передвижения не требуется наличие грузовика, так как они изготавливаются на базе самодвижущегося шасси на гусеничном или колесном ходу. В качестве такого шасси могут применяться различные тракторы, вездеходы или грузовые автомобили.
Чаще всего на шасси монтируется бурильный агрегат, с гидравлическим или механическим приводом, при использовании последнего крутящий момент на шнек передается с двигателя автомобиля или вездехода.
Среди положительных качеств выделяются:
- Исключительная мобильность. Установка может работать в любых условиях, даже в поле. Высота вышки может достигать 5–7 метров, поэтому на выполнение работ в непосредственной близости от ЛЭП может потребоваться наряд-допуск.
- Скорость бурения вырастает в разы за счет отсутствия надобности в сборке-разборке механизма, так как установка приезжает на место самостоятельно и практически сразу готова к работе.
- Самоходные устройства легче обслуживаются и ремонтируются.
- Возможность бурения шахт глубиной до 350 метров, со скоростью до 10 м/ч, в зависимости от твердости породы.
- Работа на всех видах грунта. При высокой твердости породы рекомендуется использование буров из высокопрочной стали или с алмазными наконечниками.
МГБУ


Из-за своей компактности их называют малогабаритными, или, если кратко, – МГБУ. Они стали настоящим прорывом. Благодаря МГБУ пробурить скважину на 70–100 метров может любой человек, даже тот, который ранее никогда не сталкивался с бурильными работами.


Эти аппараты делятся на три вида: мобильные, разборные и переносные. Их можно быстро разобрать, погрузить в кузов обычной «газели» и привезти на место назначения. После доставки МГБУ легко разгружается, собирается и готова к работе в течение 15–20 минут.
В качестве привода для малогабаритных устройств чаще всего используется электродвигатель, работающий от 220 вольт.
К примеру, МГБУ-70 весит всего 350 килограмм, но она способна бурить скважины до 70 м глубиной со скоростью 5–7 м/час, в зависимости от твердости грунта.
Для ее работы не требуется много места, так как габариты составляют всего 115 x 120 x 270 см.
Бурение с промывкой


В использовании как малогабаритных аппаратов, так и более крупных механизмов, для повышения скорости прохождения породы, рекомендуется применять сверление с промывкой. Данный способ рытья позволяет поднять скорость погружения до 10 м/час, тогда как обычный сухой метод редко когда позволяет достичь скорости более 2 м/час. Существует два вида бурения с промывкой, которые незатейливо именуются прямым и обратным способами.
Прямой – это когда в качестве промывающей жидкости, при неглубоком сверлении, используется обычная вода; она закачивается в штангу, опускается к месту работы бура и оттуда выносит грунт на поверхность.
Обратный – вода закачивается внутрь шахты, а ее отбор производится через штангу с помощью мощного насоса.
Ручные


Существует еще и автономные буровые устройства, созданные на базе мотоблока. Они чаще всего имеют механический привод, он получает крутящий момент от двигателя мотобура.
Небольшой размер таких устройств позволяет работать с ними в одиночку, а использование понижающего редуктора позволяет производить сверление скважин даже большого диаметра. Величина заглубления у них намного меньше, чем у МГБУ и у самоходных механизмов, а небольшой размер такой ручной бурилки позволяет делать скважины возле стен зданий или заборов.
Если водоносный горизонт на вашем участке находится на глубине не более 20–25 метров, то такой аппарат будет идеальным решением самостоятельно изготовить абиссинскую, а быть может, даже артезианскую скважину. Скорость бурения зависит от характеристик установленного двигателя и составляет 3–5 м/час. Ввиду небольших размеров и невысокой мощности такие установки используются на мягких, торфяных и глинистых почвах.
Самодельные
Буровые агрегаты встречаются не только заводского типа. Они также могут представлять собой конструкции которые делают своими руками. Хотя стоит сразу отметить, что самостоятельное изготовление такого устройства может быть оправдано только в случае его неоднократного применения или если у вас есть в наличии большая часть комплектующих, инструмента, сварочное оборудование и гаража.


Если вы хотите построить бурильную установку самостоятельно, то следует обратить внимание на простейшую шнековую бурилку, так как ее можно изготовить самостоятельно за несколько дней. Она устанавливается на основание, к которому привариваются направляющие, по ним будет подниматься и опускаться электродвигатель с редуктором, к нему посредством вертлюга будет крепиться бур.
Порядок действий следующий:
- Начать следует с закупки материалов, чтобы изготовить основания, штанг, вертлюг. Также необходимо приобрести лебедку, электродвигатель (2–2,5 кВт) и редуктор.
- Затем следует изготовить основание, исходя из мощности двигателя и передаточного числа редуктора.
- Далее нужно сделать вертлюг и штанги. Эти части устройства необходимо покупать, можно заказать у слесаря, он выточит эти детали с необходимой точностью.
- Затем необходимо собрать всю конструкцию и подготовить место для крепления электродвигателя.
- Только после этого производится монтаж двигателя и редуктора на раму.
- Далее необходимо закрепить лебедку и соединить ее трос с рамой двигателя.
После того как собран каркас, смонтирован движок, редуктор и лебедка, можно приступать к изготовлению бура.
Под основания устройства можно взять толстостенную трубу с диаметром не менее 50 мм. В процессе изготовления каркаса важно помнить о геометрической правильности сборки – все устройство должно быть строго соосно. Не забудьте проверить вертикальность и горизонтальность, пробить диагонали и углы наклона. Размеры каждого устройства подбираются индивидуально в зависимости от мощности двигателя.
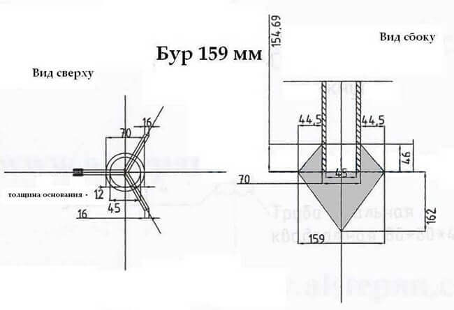
Обычный шнековый бур также делается самостоятельно из полуторадюймовой трубы и стальных полуколец, которые навариваются на нее в виде спирали, а потом затачиваются. Наконечник изготавливается – методом наваривания стальных полос на конец трубы. Если грунт в предполагаемом месте каменистый, то лучше приобрести заводской бур из закаленной стали.
Чертеж бура на 159 мм


Электрическая лебедка значительно ускорит выемку штанг из скважины. Ее желательно оборудовать пультом управления с возможностью реверса.
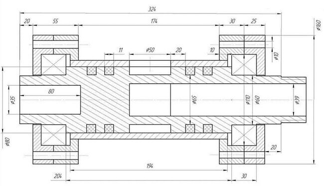
Следующим шагом будет создание вертлюга. К сожалению, делать его также должен слесарь по представленному чертежу. Если специалиста нет – вертлюг придется покупать.
Схема вертлюга


Чертеж вертлюга МГБУ


Важно! С учетом покупки всех труб, лебедок, двигателей и прочего оборудования стоимость изготовления самодельной буровой установки может приближаться к сумме в 50–70 тысяч рублей, что весьма немало, с учетом того, что с первого раза у вас может и не получиться. Поэтому перед началом работ следует еще раз трезво оценить свои силы и возможности, подумать – и взять буровой аппарат напрокат.
Особенности шнекового аппарата
Она пользуются заслуженной популярностью из-за высокой скорости бурения, великолепной функциональности, простоты в ремонте и обслуживании и невысокой себестоимости буровых работ. ШБУ используются в строительных и коммунальных организациях, занимающихся устройством связи и линий электропередач. К недостаткам можно отнести довольно громкий шум, который издается во время работы.
Этот агрегат в большинстве случаев используется как машина для бурения скважин в мягких породах, с глубиной не более 120–150 метров. Отработанный грунт вынимается наружу через шпур при помощи сухого шнека, хотя возможна и прямая промывка водой.
ШБУ незаменима:
- При устройстве скважин для забора воды.
- При подготовке отверстий под свайные и ростверковые фундаменты.
- Под коммуникации в районах с большой плотностью населения.
При помощи таких агрегатов осуществляется не только вертикальное сверление, но и наклонное, причем угол может задаваться произвольный.
ИНТЕРЕСНО! Шнековый проход породы характеризуется повышенной чистотой скважины, которая обеспечивается сухим бурением. Отсутствие промывочного раствора при работе позволяет вводить источник в эксплуатацию гораздо раньше. Не нужно дожидаться очищения водозаборного горизонта от промывочного раствора, которое неизбежно при бурении с промывкой.
Как работает ШБУ
Принцип действия предельно прост – вращательный момент от двигателя устройства через редуктор подается на вал, на котором закреплен шнек. В процессе вращения шнек заглубляется в землю, рыхля и разбивая породу. Разрыхленный отработанный грунт выносится на поверхность по стальной спирали, обеспечивая высокую скорость прохода породы.
Роторная система
Это бурильные установки под воду, которые осуществляют сверление породы методом непрерывного вращения рабочего элемента – ротора, на котором закреплены режущие долота.
Они получили широкое распространение благодаря относительно небольшим размерам и способности производить работу на большой глубине. Кроме того, использование ротора позволяет легко проходить твердые скальные породы и даже вечную мерзлоту. Такое устройство с легкостью пройдет известняк, мергель, вечномерзлый грунт.
Отработанная порода может выноситься на поверхность одним из следующих методов:
- При помощи обратной воды, она под высоким давлением закачивается в шахту в процессе сверления.
- С применением раствора глины, подающийся по штангам методом прямой промывки.
- Также часто используется обычный шнековый способ.
ВАЖНО! Длительная работоспособность бура обеспечивается его постоянным охлаждением, которое достигается за счет прокачиваемого водного раствора.
Как выбрать бурильную технику
Если вы задумались о необходимости покупки бурильного агрегата, следует заранее определить для себя главные параметры и требования, которые вы будете к нему предъявлять.
На какие параметры следует обратить внимание:
- Глубина бурения. В большинстве случаев отдают предпочтение малогабаритной технике и не переплачивают за повышенные мощности, которые нужны только геологам.
- Грузоподъемность подъемного механизма. Основываясь на этой характеристике, можно выделить три главных вида буровых установок: для создания гидрогеологических скважин, геологической разведки газа и нефти и углубленного разведывательного бурения.
- Простота транспортировки – также может играть не последнюю роль при выборе. Подумайте, нужна ли вам дорогая самоходная установка для бурения или вам вполне хватит небольшого агрегата, помещающегося в обычном прицепе или кузове грузового автомобиля.
Взять технику в аренду
Если приобретение такого агрегата для вас будет нецелесообразно ввиду разовости работ, то следует подумать о возможности взятия бурильного устройства в найм, или приобретения в лизинг. Аренда позволяет выполнить поставленную задачу в кратчайшие сроки и при этом сэкономить значительную сумму. Дело в том, что в стоимость аренды входит и оплата труда оператора и его помощника, и таким образом, вам не придется отправлять своих сотрудников на несвойственные их профилю работы.
Цена аренды буровой техники зависит от многих факторов, среди которых: объем работ, длительность эксплуатации, место, число работников, обслуживающих систему. В среднем стоимость одной смены начинается от 2000–2500 тысяч рублей.
Полезное видео
Посмотрите в роликах важную информацию:
Самодельная МБГУ: